2023-04-28 11:13:22
有機廢棄物資源化再利用控制系統項目案例
項目背景
畜禽養殖業的大量糞便、有機廢水、氣味、病原微生物、飼料添加劑中的抗生素,以及未來可能出現的轉基因生物污染,對環境污染造成極大危害的同時,也會浪費寶貴的肥料資源和能源。有機廢棄物資源化再利用控制系統的實施不僅控制環境污染的同時,還促進畜禽糞便資源化利用,改善了土壤質量,從而實現農業可持續發展的目標。

項目簡介
有機廢棄物資源化再利用自控系統項目位于山東省臨沂市養殖園區。園區實行“自動化、智能化、工業化”高效立體生態籠養模式。養殖區已建立體高效環保養殖大棚40棟,年出欄肉鴨3200萬只。新建高效生態鴨棚、糞污處理系統及相關環保設施、厭氧罐4座、脫硫塔1座和2萬平方米有機肥生產加工車間等。該項目年產有機肥5.18萬噸,沼液肥10萬噸,沼氣發電3690.4萬kwh/a。沼液過管網直接輸送到高效蔬菜園區內的蔬菜大棚里。發電直接并網。實現了養殖糞污無害化處理和資源化利用,真正做到了零污染、零排放。全廠生產過程自動化系統分為三個層級:信息層,控制層,設備層。

設計標準
《供配電系統設計規范》GB50052-2009
《可編程儀器的數字接口》ANS1488
《民用閉路監視電視系統工程技術規范》GB50198-201
《民用建筑電氣設計規范》JGJ16-2008
《計算站場地技術要求》GB/T2887-2011
生產工藝流程

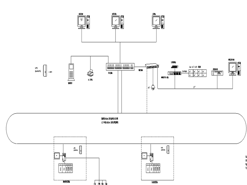
自控系統架構圖

信息層
配置以太網交換機、生產管理計算機終端和打印機、UPS、辦公管理軟件及防病毒軟件等。系統通過中央監控計算機與設備監控自動化系統網絡相連。實現生產過程的信息共享。通過網絡管理,全廠管理計算機可以在授權下實時瀏覽全廠生產過程設備運行狀況和各處生產現場的實時場景。


控制層
系統選用基于PLC的集散控制系統。PLC控制站實現設備間的聯動邏輯控制、根據工藝要求實現設備的過程控制和反饋控制。現場設備控制單元實現各個單體構筑物或成套設備現場參數采集、顯示、遠傳等功能。

中央控制室



中央控制室上位機界面圖
設備層

預處理控制站

污水處理控制站

熱循環控制站
設備層

發電機組

有機肥車間

厭氧罐

上料車間

沼氣凈化

氣柜,冷干機

PH計

超聲波液位計

壓力變送器

參觀學習